专注传感器生产制造

满足全国市场需求

产品展示

TP3064 微型称重压力传感器

TP3064微型称重压力传感器适用于皮带秤、进料头重量、储存重量、料槽重量、材料力学试验机、安全检测设备等,可选择集成标准信号输出、三线制、010mA420mA05V输出。


枫庆服务热线
13817545496
021-56610867

TP3064微型称重压力传感器适用于皮带秤、进料头重量、储存重量、料槽重量、材料力学试验机、安全检测设备等,可选择集成标准信号输出、三线制、010mA420mA05V输出。

产品特性

1.精度高

2.重心低

3.良好的刚性

4.抗偏载能力强

产品应用

适用于皮带秤、进料头重量、储存重量、料槽重量、材料力学试验机、安全检测设备等

产品参数

 

技术参数

量程

20、50、100、200、300、500 kg

输入阻抗

500±5Ω

灵敏度

1.5±0.2mv/V

输出阻抗

500±3Ω

综合精度

0.02%F·S

绝缘阻抗

≥2000MΩ

蠕变

±0.1%F·S/30min

激励电压

5~12VDC

非线性

±0.1%F·S

工作温度范围

-20~+70℃

滞后误差

±0.1%F·S

允许过负荷

1.2倍

重复性误差

±0.1%F·S

密封等级

IP66

零点温度系数

±0.03%F·S/10℃

材质

不锈钢

输出温度系数

±0.03%F·S/10℃

线缆

Ф2.2x2000mm

输出

0-10mV,4~20mA,0~5V,0~10V,R485,R232

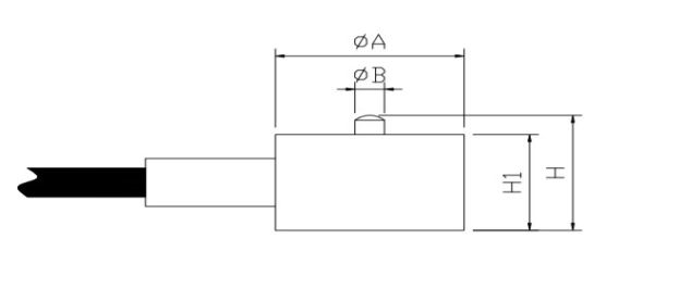
外形尺寸(mm)

image.png

量 程(kg)

A

B

H

H1

20kg

8

2.3

6

5.2

20-200kg

12.7

2.5

9.5

8

250-500kg

16

2.5

12

10

0.5-5T

51

10

25

19.5

6-10T

88

18

47

42

15-30T

127

25

70

62


根据客户需要的尺寸特定

 

 

 

 

 


名称:上海枫庆测控技术有限公司
联系人:汪经理   13817545496
座机:021-56610867
QQ : 2604380942
微信:13817545496
邮箱:wanglh@shfqck.com
网址:www.shfqck.com
英文官网:https://shfqck.en.alibaba.com/
地址:上海市普陀区交通路4703弄6号楼