将待称重物体放置在轮辐式传感器上,轮辐上的电阻应变片产生变形,称重传感器按一定的函数关系将重量转换为相应的mV级电信号,该信号经前置放大、滤波、A/D转换等处理后直接在显示屏上显示物体重量。
产品特性
1.精度高。
2.低的高度。
3.高的稳定性。
4.抗偏载能力强
5.结构简单,安装方便
产品应用
适用于电子地秤、料仓秤、轨道秤、台秤、汽车秤、料仓液位的测控等。
产品参数
技术参数 |
量程 | 0-300T | 输入阻抗 | 725 ± 25 Ω |
灵敏度 | 2 mv/V | 输出阻抗 | 700 ± 1Ω |
综合精度 | 0.05 %F·S | 绝缘阻抗 | ≥ 5000 MΩ |
蠕变 | ±0.02 %F·S/30min | 激励电压 | 9~ 15 VDC |
非线性 | ±0.05 %F·S | 工作温度范围 | -20 ~ ﹢70℃ |
滞后误差 | ±0.05 %F·S | 允许过负荷 | 150 %F·S |
重复性误差 | ±0.05 %F·S | 密封等级 | IP67 |
零点温度系数 | ±0.02 %F·S/10℃ | 材质 | 合金钢 |
输出温度系数 | ±0.02 %F·S/10℃ | 输出 | 4~20mA 0~5V;0~10V |

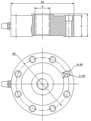
量程(t) | ΦA | L | H | ΦB | ΦD | ΦE | M |
0-1-2 | 72 | 24 | 24 | 58.8 | 5.3 | 9.7 | M12*1.75 |
3-5 | 104.7 | 34.8 | 31.8 | 88.9 | 6.5 | 11 | M16*1.5 |
10 20 30 | 125 | 45 | 40 | 105 | 9 | 14.5 | M30*2我们的标准国标应该为M30*3.5 |
50 | 143 | 57.5 | 51 | 117 | 10.5 | 17 | M40*1.5 |
100 | 186 | 83 | 70 | 163 | 13 | 20 | M48*5 |
200 | 260 | 125 | 120 | 221 | 22 | 32 | M64 国标 |
300 | 280 | 125 | 120 | 240 | 22 | 32 | M80 |
| 根据客户需要的尺寸特定 |